电学实验
预计阅读时间: 50 分钟实验基础
滑动变阻器
变阻器,又称电位器,是种具有三个端子,其中有两个固定接点与一个滑动接点,可经由滑动而改变滑动端与两个固定端间电阻值的电子零件,属于被动元件,使用时可形成不同的分压比率,改变滑动点的电位,因而得名。
只有两个端子的(或已将滑动端与其中一个固定端保持连接,对外实际只有两个有效端子的)并不称为电位器,只能称为可变电阻,或可变电阻器。
常见的碳膜或陶瓷金属膜的电位器可以透过铜箔或铜片与印刷膜接触,经旋转或滑动产生输出、输入端的不同电阻。至于需要较大功率的电位器则是使用线绕式。电位器有时会合并附带其他功能,例如在最小的一端附带关闭电源。
滑动变阻器常见的接法有限流式和分压式两种。
{width="90%"}
-
限流式:电路连接简单,调节范围相对较小,通常选用较大的串联限流电阻以限制电流。
-
分压式:用于分压,电路相对复杂,调节范围较大,常选用较小的滑动部分电阻以获得较细的电位调节。
二三极管
晶体三极管是半导体基本元件之一,具有电流放大作用,在控制电路中常用作电子开关。本实验采用三极管配合光敏电阻完成光控开关的任务。三极管由三个电极组成,分别是发射极 $e$、基极 $b$ 和集电极 $c$,有 NPN 型和 PNP 型两种。三极管的一个重要特性是,从基极输入一个较小的电流,就会在集电极获得较大的电流。此外,三极管还具有完成断路和接通的开关作用。
{width="30%"}
欧姆表
一个常见的欧姆表电路图如左图所示:


我们发现,如果将两个表笔短接(即被测电阻 $R_x=0$),在欧姆表内部电路由电源、电源内阻 $r$、表头内阻 $R_g$ 和限流电阻 $R$ 串联组成,则满偏电流为
$$ I_m=\dfrac{E}{r+R_g+R} $$
我们记内阻 $r_i=r+R_g+R$,根据电流之比为电阻反比,某一时刻电流表示数为 $I$,则
$$ \dfrac{I}{I_m}=\dfrac{R_x+r_i}{r_i} $$
我们根据这一表达式,在表盘上直接表上对应的欧姆刻度,如上右图所示。我们知道这个表盘刻度是不均匀的,测量范围在 $0,+\infty$ 欧姆。
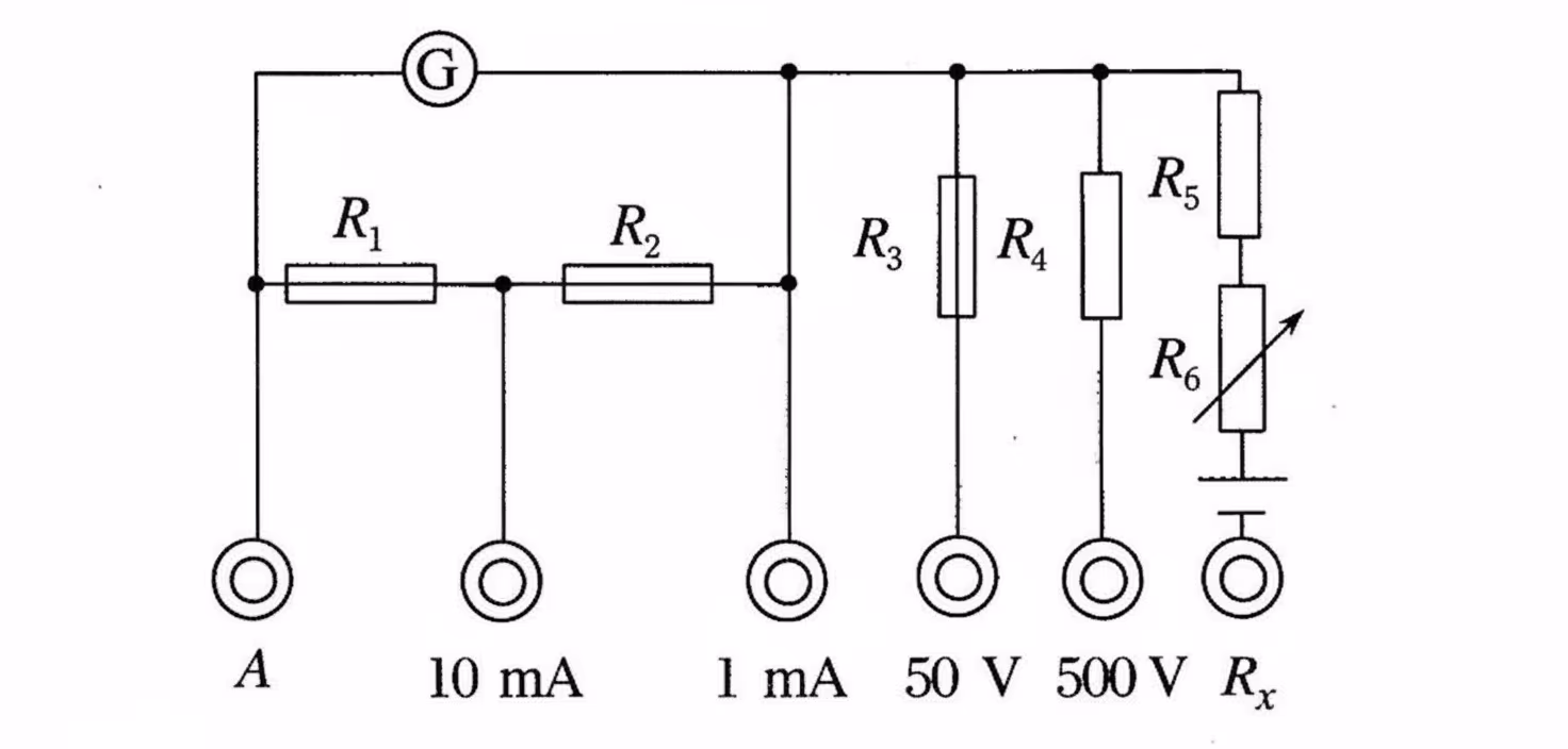
多用电表
多用电表,又称万用电表、多用表、多用计、万用表、万用计,俗称三用电表,一般包含电流表(安培计)、电压表(伏特计)、电阻表(欧姆计)等功能。一个老式的多用电表(上海第四仪表厂)如图所示:
{width="90%"}
多用电表的使用方法:
-
第一次调零(机械调零):表笔断开时旋转机械调零螺丝或旋钮,使指针指向零位(不同仪表设计可能在左端或中间)。
-
第二次调零(欧姆调零):将表笔短接,调整欧姆调零旋钮,使指针回到欧姆档的零位,以补偿仪表内部电池和表头偏差。
-
多用电表的读数:换挡后应重新调零;选择量程时使读数接近表盘中段可获得较好精度,量程越小同一阻值产生的指针偏转越大。
-
多用电表的换挡:每次换挡后都需要重新调零。如果需要把指针向右偏,则需要换更大的档位,因为换成大档位之后,表盘上的读数会变小。
-
多用电表使用完毕后应当将其调至 OFF 档位(或者空档),如果没有 OFF 档(如上图),则调至交流电压最高档位。
注意事项:
-
中值电阻:我们知道,多用电表刻度一边过于稀疏、一边过于密集,因此我们通常需要让指针指在正中间附近的位置,我们把此时的电阻称为中值电阻,这就需要换挡。
-
误差分析:若时间放置久后,内部电源电动势降低,则测的的值比真实值大;另外,如果仅仅是内阻增大,则会被欧姆调零低消掉,不会有影响。
几个常见的多用电表电路如图所示:


电表改装
检流计 $-\kern{-0.4em}\bigcirc\kern{-1em}{\scriptsize\text{G}}\kern{0.05em}-$:也称为表头,被用于测量微弱电流。指针式的表头是一只高灵敏度的磁电式灵敏检流计,其工作原理为利用电流的磁效应,当电流通过其导线时,会产生磁场,与永久磁铁互斥而带动指针旋转,与磁电式电流表基本相同。电表的主要性能指标基本上取决于表头的性能。表头的灵敏度是指表头指针满刻度偏转时流过表头的直流电流值,这个值越小,表头的灵敏度愈高,其性能就越好。


检流计有内阻 $Omega$、最大电压 $U$ 和最大电流 $I$,满足欧姆定律,检流计与大电阻串联构成电压表 $-\kern{-0.4em}\bigcirc\kern{-1em}{\scriptsize\text{V}}\kern{0.1em}-$,与小电阻并联构成电流表 $-\kern{-0.4em}\bigcirc\kern{-1em}{\scriptsize\text{ I}}\kern{0.2em}-$,由欧姆定律分压分流规律,可以计算出应该串联、并联多大的电阻。
电表串并联偏角、示数问题(默认表头一样):
-
电流表串联:根据电流一样,所以示数相同。
-
电流表并联:还原为表头并联电阻,则偏转角度相同。
-
电压表并联:根据电压一样,所以示数相同。
-
电压表串联:还原为表头并联电阻,则偏转角度相同。
-
示数相同,量程越小,偏转角度越大;偏转角度相同,量程越大,示数越大。
电表改偏角、改量程。
-
改量程:增大电压表量程,串联一个大电阻;增大电流表量程,并联一个小电阻。
-
电压表、电流表偏角始终偏大、偏小。
电路题型
等电势法
原理:
-
一根导线上,电势处处相等(等势体)。
-
经过用电器后,电势降低,数值上等于用电器两端电压。
-
如果没有电流通过用电器,例如理想电压表串联电阻,则可以将电阻视为等电势。
将不同电势分别描出来,确定用电器两端电势。
在一个复杂电路中,如果能找到一些完全对称的点,(以两端连线为对称轴),通过对电势的分析,可以找到某一些电势相等的点,就可以把接在等电势节点间的导线或电阻或不含电源的支路断开(即去掉),也可以用导线或电阻或不含电源的支路将等电势节点连接起来,且不影响电路的等效性。而通过这些连接,可能就使原来的复杂电路变成了简单电路。
变形法:具体而言,将电路翻转、伸缩、变形,到达容易分辨的效果。
图像问题
外电压-总电流(电源的 $U-I$)图:
-
图像为一条直线:
$$ U=E-rI $$
-
与 $y$ 轴交点为电源电动势,与 $x$ 轴交点为短路电流,斜率大小为内阻 $r$。
电阻的 $P-I$ 图像:
{width="50%"}
电灯泡 $U-I$ 与电源 $U-I$ 联立:
-
根据短路电流 $I=E/r$ 得出横截距,以 $E$ 为纵截距在 $U-I$ 图上做出下降直线(电源)。
{width="50%"} -
电灯泡的 $U-I$ 曲线与电源的直线交点即为连接后的电路状态。
物理量总结
百科版本:
电阻测量
-
系统误差:实验设计本身存在缺陷,可以确定偏大或者偏小。
-
偶然误差:操作或读数造成,具有不确定性;多次测量取平均值或者用图像计算比值都可以减少偶然误差。
伏安法
最容易想到的测量方法是直接测量电流和电阻两端的电压,但是我们非理想电流表、电压表会分压、分流,导致产生系统误差,于是就产生了内接法和外接法。
{width="80%"}
电流表内接法(电流表在电压表里面):
-
电压表测电流表和电阻的电压,电压偏大、电流准确,电阻偏大。
-
测到的电阻为电流表和待测电阻串联得到的电阻。
-
当待测电阻远大于电流表内阻(大电阻)时,测量结果较为准确。
电流表外接法(电流表在电压表外面):
-
电流表测电压表和电阻的电流,电流偏大、电压准确,电阻偏大。
-
测到的电阻为电压表和待测电阻并联得到的电阻。
-
当待测电阻远小于电压表内阻(小电阻)时,测量结果较为准确。
简记为:大内偏大,小外偏小;此外,如果为理想电表,则可以任选;如果电流表内阻已知,则用内接法;如果电压表内阻已知,则用外接法。
-
计算法:将预估 $R_x$ 与 $sqrt{R_AR_B}$ 比较,作为大小电阻的依据。
-
试触法:将电笔轻轻接触,然后迅速拿开。将电压表的一端分别在电流表的内外试触,如果电压表示数变化较大,则说明电流表分压较大,使用外接法;如果电流表示数变化较大,说明电压表分流较大,使用内接法。
具体来说,我们可以定量判断 $vert{\dfrac{U_外-U_内}{U_内}}$ 和 $vert{\dfrac{I_外-I_内}{I_内}}$ 的关系,确定哪一个更接近真实值。
伏阻法
伏阻法,又称伏伏法,如图所示:
{width="80%"}
如左图
由已知电阻 $R_0$ 推导出 $R_x$ 两端电压。
$$ R_x=\dfrac{U}{I_2}=\dfrac{R_0(I_1-I_2)}{I_2} $$
若考虑电流表分压,则测量值比真实值偏大,测量值为待测电阻和电流表内阻的和,如果 $A_2$ 用内阻已知的电流表,则可以消除系统误差。
如右图
由已知电阻 $R_0$ 推导出 $R_x$ 两端电压。
$$ R_x=\dfrac{U}{I_2}=\dfrac{I_1R_0}{I_2} $$
这里的误差,既有可能偏大,也有可能偏小,取决于两个电流表分流程度。当且仅当知道两个电流表的内阻,可以消除系统误差。
安阻法
安阻法,又称安安法,如图所示:
{width="80%"}
如左图
容易得到
$$ R_x=\dfrac{U_1}{U_2}\cdot R_0 $$
此处也无法判断出误差偏大还是偏小,想要消除系统误差计算也比较复杂。
如右图
同理,可以写出
$$ R_x=\dfrac{U_1}{U_2-U_1}\cdot R_0 $$
此处可以认为 $R_0$ 充当了电流表,相当于外接,测量值比真实值偏小。
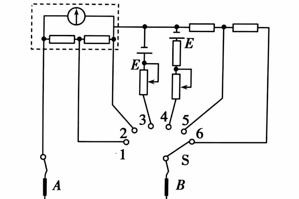
半偏法
半偏法分为限流式半偏法和分压式半偏法,是一种在题目中常见的测量电阻的方法。
限流式半偏法:
{width="40%"}
-
闭合开关 $S$ 和 $S_1$,调节滑动变阻器,使电流表满偏。
-
再闭合开关 $S_2$,保持滑动变阻器位置不动,调节电阻箱示数为 $R$,使得电流表半偏。
-
记录电阻箱示数 $R$,则 $R=R_x+R_A$。
通常情况下,限流式半偏法通常直接用于测量电流表内阻 $R_A$,此时不接入 $R_x$,电阻箱示数即为电流表的内阻。
误差分析:
-
我们在上面假设干路电流不变,而实际上因为形成了并联电路,总电阻减小,故总电流增大,因此通过电阻箱的电流要大于通过电流表支路的电流,因此电阻箱阻值小于电流表阻值。
-
因为我们将电阻箱阻值读数当做电流表的内阻,因此测量值比真实值偏小。
-
限流式半偏法适合测量小电阻(例如电流表),因为电阻小、闭合 $S_2$ 后总电阻变化也就越小,误差越小。
-
为了减小误差,我们需要电路总电阻变化较小,容易想到需要滑动变阻器接入阻值较大,因此,应当选择大的电源电动势和大的滑动变阻器。
分压式半偏法:
{width="40%"}
-
电阻箱归零,闭合开关,调节滑动变阻器,使得电压表满偏。
-
保持滑动变阻器不变,调节电阻箱示数为 $R$,使得电压表半偏。
-
记录电阻箱示数 $R$,则电阻大小 $R_V=R$。
误差分析:
-
我们已经假设电压表和电阻箱两端的电压不变,实际上因为电阻箱阻值增大,分到的电压增大,故若电压表仍半偏,电阻箱两端的电压应当大于电压表示数,也就是说电阻箱阻值大于电压表阻值。
-
因为我们将电阻箱阻值读数当做电压表的内阻,因此测量值比真实值偏大。
-
分压式半偏法适合测量大电阻(例如电压表),因为电阻大,则滑动变阻器并联与其并联,阻值变化就会较小,误差较小。
-
容易想到,应当使滑动变阻器接入并联部分电阻越小越好,因此,总的来说,应当选用小的电源电动势和小的滑动变阻器。
注意,如果开始的时候忘记归零,则可以通过写出电压不变的方程,解出来 $R_V$ 的值。
替代法
替代法是一种类似于限流式半偏法的方法,如图所示:
{width="40%"}
-
闭合开关 $S$ 和 $S_1$,适当调整滑动变阻器,记录此时电流表示数。
-
断开开关 $S_1$,闭合开关 $S_2$,调整电阻箱,使得电流表示数和上一步相同。
-
则电阻 $R_x$ 即为电阻箱的示数 $R$,这个方法是没有系统误差的。
电桥法
惠斯通电桥是一种测量工具,用来精确测量未知电阻器的电阻。
将待测电阻 $R_x$ 和 $R_3$ 串联,可变电阻 $R_2$ 和 $R_1$ 串联。再将这两个串联电路并联,在各路中点间接入检流计 $V_G$。其中 $V_G$ 可以认为是测量电势差的,或是测量电流的,因为这是等价的。
{width="90%"}
{width="90%"}
我们得出结论:当桥臂满足
$$ \displaystyle{R_x\over R_3}={R_2\over R_1} $$
电桥平衡,此时灵敏电流计无示数。
证明:$D$ 和 $B$ 等势的时候灵敏电流计无示数,结论显然。
电源测量
伏安法
测量电源的电动势和内阻:
{width="60%"}
理想情况下,电流表测外电流、电压表测外电压,因为要测两个量,我们最常见的减小偶然误差的方式就是图像法,容易想到我们会指出伏安($U-I$)图形,两种方法
内接法(如左图)
我们列出闭合电路欧姆定律:
$$ \begin{cases} E&=(U+U_A)+Ir\ U_A&=IR_A \end{cases} $$
化简得到:
$$ U=E-I(R_A+r) $$
此时我们如果忽略 $R_A$ 容易知道,电动势测量准确,内阻测量值偏大。
简单来说,电流表测量准确,但是因为电流表分压,电压表示数小于路端电压。
等效上,测量值等效于电压表和原电池串联得到的新电源的电动势和内阻,因为空载时没有电流通过,串联的电流表内阻等效于电源内阻,因此新电源电动势不变、内阻偏大。
外接法(如右图)
我们列出闭合电路欧姆定律:
$$ \begin{cases} E&=U+(I+I_V)r\ U&=I_VR_V \end{cases} $$
化简得到:
$$ \paren{1+\dfrac{r}{R_V}}U=E-Ir $$
此时我们如果忽略 $R_V$ 容易知道,电动势测量值偏小,内阻测量值偏小。
简单来说,电压表测量准确,但是因为电压表分流,电流表示数小于总电流。
等效上,测量值等效于电压表和原电源并联得到的新电源的电动势和内阻,因为电压表支路始终有电流通过,因此新电源电动势偏小、内阻偏小。
如图形所示:
{width="50%"}
一般来说,内接法适用于内阻较大的电池,例如水果电池;外接法适用于内阻较小的电池,例如干电池;如果电池电阻过小,则可以将电池与适当的定值电阻串联接入,测的内阻减去定值电阻阻值即可。
定阻法
定阻法通常也称为安阻法和伏阻法,我们用电阻箱(为了读出接入电路的电阻大小)和一个电流表或电压表即可测出电源的电动势和内阻。
{width="60%"}
其思想分别是将电阻箱两端的电压、电流当做外电压、总电流,因此也容易进行误差分析。
安阻法(如左图)
我们根据闭合电路欧姆定律:
$$ E=I(R+r+R_A) $$
推导得出:
$$ \dfrac{1}{I}=\dfrac{1}{E}\cdot R+\dfrac{r+R_A}{E} $$
忽略 $R_A$ 即可得出:
$$ \dfrac{1}{I}=\dfrac{1}{E}\cdot R+\dfrac{r}{E} $$
因此绘制出 $dfrac{1}{I}-R$ 图,根据斜率和截距计算即可。
因为我们忽略了电流表的内阻分压,因此所测的的电源内阻大于真实值,真实值比测量值大了 $R_A$。
伏阻法(如右图)
我们格局闭合电路欧姆定律:
$$ E=U+\paren{\dfrac{U}{R}+\dfrac{U}{R_V}}\cdot r $$
忽略 $R_V$ 即可推导出:
$$ \dfrac{1}{U}=\dfrac{r}{E}\cdot\dfrac{1}{R}+\dfrac{1}{E} $$
因此绘制出 $dfrac{1}{I}-\dfrac{1}{R}$ 图,根据斜率和截距计算即可。
因为我们忽略了电压表的分流,根据电表改造的思想,此处与伏安法外接类似,测量值电动势与内阻均小于真实值。
其实在左边的也可以等效为伏安法内接的误差分析。
一般来说,安阻法适合内阻较大的电源,伏阻法适合内阻较小的电源,与其他方法类似的是,如果某个电表内阻已知,则一定可以使用这个以精确测量。
电势差计
补偿电路是一种比较精确地测量电源电动势的电路,其测量装置亦称电势差计。
{width="30%"}
若两电源的电动势不相等,即 $varepsilon_0 \neq \varepsilon_x$,则回路中必有电流,检流计的指针发生偏转。如果 $varepsilon_0 = \varepsilon_x$,则回路中没有电流,检流计指示为零,这时称电路达到补偿状态。这样可以根据已知电动势 $varepsilon_0$ 的值,求出待测电动势 $varepsilon_x$ 的值,这种测电源电动势的方法称为补偿法。
{width="50%"}
工作电源 $E$、限流电阻 $R$、开关 $K_1$、粗细均匀的电阻丝 AB 串联成一闭合电路,称为辅助电路。
-
闭合 $K_1$,调节 $R$,使 AB 中有一恒定的工作电流 $I_0$。$varepsilon_0$ 为标准电源,$varepsilon_x$ 为待测电源。
-
开关 $K_2$ 倒向标准电源的一边与 $varepsilon_0$ 连通检流计发生偏转,移动触点 C,使检流计中的电流 $I_g=0$,这时有 $varepsilon_0=U_{AC}$。
-
同理,$K_2$ 倒向待测电源一侧时,做相应的调节,使检流计回到零位,则有 $varepsilon_x = U_{AC'}$。
比较 $varepsilon_0$ 与 $varepsilon_x$,有
$$ \varepsilon_x = \frac{L_x}{L_0}\varepsilon_0 $$
因此只需测出 $L_0$ 与 $L_x$ 的长度比并乘以已知标准电源的电动势即可得到被测电源的电动势。此方法的优点是避免了直接测量小电压时电压表带来的误差。
传感器
传感器概念
传感器的功能与人的视觉、听觉、触觉、嗅觉等功能相似。人类是借助感觉器官从外界获取信息的,并由神经系统将这些信号传递给大脑,在人脑中将这些信息进行处理,然后发出命令传递给肌体,做出动作。如果用机器完成这一过程,计算机相当于人的大脑,执行机构相当于人的肌体,传感器就相当于人的"五官"。实际上,有些传感器还具有"超人"的本领。这里所说的"超人"的本领是指传感器不仅可应用于高温、高压、辐射等恶劣环境,还可检测出人类五官不能感知的各种信息,如微弱的磁、电、离子和射线的信息等。利用传感器的这些本领,可以制成形形色色的机器人,承担人类难以直接完成的任务。
在现代技术中,传感器是指这样一类器件或装置:它能够感受诸如力、温度、光、声、化学成分等被测量,并能把它们按照一定的规律转换为便于传送和处理的可用信号输出。通常转换成的可用信号是电压、电流等电学量,或转换为电路的通断。把非电学量转换为电学量,可以很方便地进行测量、传输、处理和控制。
传感器的种类很多,作为一门知识密集型技术,它与许多学科有关:有的利用物质的物理特性或物理效应制作而成,如力传感器、磁传感器、声传感器等物理传感器;有的利用电化学反应原理,把无机或有机化学物质的成分、浓度等转换为电信号,如离子传感器、气体传感器等化学传感器;有的利用生物活性物质的选择性来识别和测定生物化学物质,如酶传感器、微生物传感器、细胞传感器等生物传感器。
在林林总总的传感器世界中,大多数传感器是以物理原理为基础制作的。这类传感器种类最多,应用领域也最广泛。例如,一部普通的智能手机中就安装有十几种传感器,能感受声音、图像、压力、磁场、加速度等各种信息。它们原理各异,分类方法也不同。根据被测量的不同,可分为声、光、压力、位移、加速度、温度等传感器;根据具体工作原理的不同,可分为电阻式、电容式、电感式、光电式、热电式、压电式、磁电式等传感器。
传感器组成
传感器种类繁多,工作原理各异,外观和结构也千差万别,但是,传感器的基本部分一般由敏感元件、转换元件组成。敏感元件是指能直接感受或响应外界被测非电学量的部分;转换元件是指能将敏感元件输出的信号直接转换成电信号的部分。它们分别完成检测和转换两个基本功能。应该指出的是,并不是所有传感器都能够明显地区分敏感元件和转换元件。如果敏感元件直接输出的是电学量,它就同时兼为转换元件。这种敏感元件和转换元件二者合一的传感器是很多的。
被测非电学量信号经敏感元件和转换元件作用后,所输出的电信号一般都很微弱,难以带动执行机构去实现控制动作,因此要通过信号调整与转换电路把这个电信号放大。如果需要远距离传送,还要把它转换成其他电信号以抵御外界干扰。如何应用从传感器获得的信号呢?可以用指针式电表或数字屏等显示测量的数据;也可以用来驱动继电器或其他元件,来执行诸如打开管道的阀门、开通或关闭电动机等动作;还可以由计算机对获得的数据进行处理,发出更复杂的指令。概括起来,传感器应用的一般模式可如图:
{width="90%"}
话筒是一种能够将声音信号转换为电信号的传感器,电容式话筒的振动膜片涂有薄薄的金属层,膜片后相距几十微米有一个金属片(固定电极),它们构成电容器的两个极板。电容式话筒利用电容器的电容与极板间距离的关系来工作。声波使振动膜片发生振动,振动膜片作为敏感元件,感受声音信号的变化,与固定电极组成的电容器相当于转换元件,将声音信号的强弱转换成电容器的电容变化。把电容器接入含有电阻、电源的转换电路中,由于电容器的电容不断发生变化,电容器产生充、放电电流,加载在电阻两端的电压也随之变化。这样,信号最后经过转换电路就被输出为便于测量和处理的电压信号,用于显示、记录等。
-
1920 年,捷克斯洛伐克作家卡佩克在一部科幻小说中构思了一个机器人,名字叫 Robot。它可以不吃饭,却能不知疲倦地工作,展现了人类持续多年的一种愿望。
-
1947 年,世界上第一个机器人在美国诞生。这是一台为反应堆搬运核燃料的简单机器,代替人来从事危险的工作。此后,由于现代制造业的需求,有关机器人的研究迅速发展起来。
根据机器人的结构和功能,可以粗略地把它们分为三代。第一代机器人对外界没有感觉,只能按照编好的程序,由内部的计算机安排它的动作,例如汽车生产线上用于点焊的机器人。第二代机器人有了感觉,它身上安装的传感器能起到人的感官的作用。例如,利用光传感器能让机器人沿着地面上画出的白色轨迹运动;利用图像传感器能让机器人产生视觉来识别烧杯和铁块,当它的手拿着烧杯时,力传感器产生触觉会使它的手指感知压力和滑动,从而既能拿住又不会捏碎。第三代是智能机器人,是人们梦寐以求的,也是当前正在努力发展的。它以人工智能理论和现代信息技术为基础,能够自主地从经验中学习,不断完善自身的程序,增强自己的功能。
机器人的种类很多。应用最广泛的是工业机器人,它们能把人从繁重的体力劳动和危险的环境中解放出来,极大地提高了生产率。服务型机器人主要用于清洁、加油、导盲、抢险等方面。它们通常具有一个移动平台,其上有操作臂,还安装了触觉、视觉、听觉及超声测距等传感器,能够识别周边的环境、判断自己的运动。医疗机器人是近些年来发展迅速的一个新领域。医疗机器人能够帮助医生做复杂的手术,减轻医生的疲劳,保证手术的精确和成功。空间机器人是最复杂、最昂贵的机器人,用于探测太空,我国祝融号火星车就是一个典型代表。
随着机器人技术的发展与进步,机器人变得越来越"聪明",它们是否有一天会完全取代人类的工作?人类的前途是否堪忧?实际上,科技本身并没有好坏之分,是人类决定了如何去使用它。面对科技进步,人类应该衡量和思考,该如何运用这些技术才会对社会更有益,使世界变得更加美好。
光敏电阻
有一些物质,例如硫化镉,电阻率与所受光照的强度有关。把硫化镉涂敷在绝缘板上,在其表面再用银浆涂敷两个互不相连的梳状电极,这样就制成了一个光敏电阻。硫化镉表面受到的光照强度不同时,两个电极间的电阻也不一样。光敏电阻是光电传感器中常见的光敏元件。
光敏电阻在被光照射时电阻发生变化,原因是:硫化镉是一种半导体材料,无光照时,载流子极少,导电性能差;随着光照的增强,载流子增多,导电性变好。光敏电阻能够把光照强弱这个光学量转换为电阻这个电学量。
光敏电阻有许多应用。例如,在产品生产的流水线上,常需要对产品计数,当传送带上没有物品挡住由 A 射向 B 的光信号时,光敏电阻的阻值较小,供给信号处理系统的电压变低;当传送带上有物品挡住由 A 射向 B 的光信号时,光敏电阻的阻值变大,供给信号处理系统的电压变高。这种高低交替变化的信号经过处理,就会转化为相应的数字,实现自动计数的功能。
热敏电阻
除了光照以外,温度也能明显地影响金属导体和半导体材料的导电性能。金属热电阻和热敏电阻就是传感器中常见的感知温度的敏感元件。
{align="right" width="40%"}
金属的电阻率随温度的升高而增大(图线 1)。用金属丝可以制作温度传感器,称为热电阻。常用的一种热电阻是用铂制作的,可用来做电阻温度计。与金属不同,有些半导体在温度上升时导电能力增强(图线 2),因此可以用半导体材料制作热敏电阻。金属热电阻和热敏电阻都能够把温度这个热学量转换为电阻这个电学量。
-
双金属温度计是把线膨胀程度不同的两种金属片压合在一起,温度变化时,双金属片的弯曲程度会发生变化,带动指针偏转来指示温度。
-
热电偶温度计是根据不同导体因温差而产生电动势的大小不同来制作的。把一条金属丝的两端分别与另一条不同材料金属丝的两端熔焊,接成闭合电路,倘若两个焊点之间有温度差,电路中就有电动势产生,温度差越大,电动势也越大。热电偶温度计的测温探头,实际上就是两根金属丝相连的一个焊点。选择不同的金属丝可以做成不同的热电偶温度计,有的可以测量高达 3 000 ℃ 的高温,有的可以测量接近绝对零度的低温。
-
电阻温度计是根据金属的电阻率随温度的升高而变化的原理制成的。常见的金属电阻温度计有铂电阻温度计和铜电阻温度计,铂电阻温度计是目前最精确的温度计。热敏电阻温度计是利用某些半导体材料制作的,其电阻随温度的变化比导体更明显,但热敏电阻的稳定性差,主要用于低精度的测量。
-
压力表式温度计是根据气体压强随温度变化的规律制作的。某些铁磁性物质的磁性强弱跟温度有关,磁性的强弱便可以成为温度的标志。声音的传播速度跟介质的温度有关,声速也可以成为温度的标志。有些晶体(如石英)的固有频率跟温度有关,频率也可以成为温度的标志。根据这个思路,磁温度计、声速温度计、频率温度计等都相继制成,而且发挥着各自的作用。
有一种热敏电阻是用氧化锰等金属氧化物烧结而成的,它的电阻随温度的变化非常明显。与热敏电阻相比,金属热电阻的化学稳定性好,测温范围大,但灵敏度较差。
利用金属热电阻和热敏电阻的阻值与温度之间的对应关系,除了可用来测量温度,还可以有其他用处。一些汽车的低油位报警装置采用热敏电阻来检测油箱的警戒液位。若给热敏电阻通以一定的电流,热敏电阻会发热。当液面高于热敏电阻的高度时,热敏电阻发出的热量会被液体带走,温度基本不变,阻值较大,指示灯不亮。当液体减少、热敏电阻露出液面时,发热导致它的温度上升、阻值较小,指示灯亮。通过判断热敏电阻的阻值变化,就可以知道液面是否低于设定值。
电阻应变片
电阻应变片是一种使用非常广泛的力敏元件。我们知道,电阻与导体的材料、长度和横截面积有关。当金属丝受到拉力时,长度变长、横截面积变小,导致电阻变大;当金属丝受到压力时,长度变短、横截面积变大,导致电阻变小。金属导体在外力作用下发生机械形变(伸长或缩短)时,其电阻随着它所受机械形变的变化而发生变化的现象,称为金属的电阻应变效应。金属电阻应变片就是利用这一原理制成的。
除了金属电阻应变片外,常用的电阻应变片还有半导体电阻应变片,它的工作原理是基于半导体材料的压阻效应:当单晶半导体材料沿某一轴向受到外力作用时,其电阻率发生变化的现象,称为压阻效应。
电阻应变片能够把物体形变这个力学量转换为电阻这个电学量。我们经常见到的电子秤,它所使用的测力器件是力传感器。常用的一种力传感器是由金属梁和电阻应变片组成的,称为应变式力传感器。弹簧钢制成的梁形元件右端固定,在梁的上下表面各贴一个应变片。在梁的自由端施力,则梁发生弯曲,上表面拉伸,下表面压缩,上表面应变片的电阻变大,下表面应变片的电阻变小。力越大,弯曲形变越大,应变片的电阻变化就越大。如果让应变片中通过的电流保持恒定,那么上表面应变片两端的电压变大,下表面应变片两端的电压变小。传感器把这两个电压的差值输出。力越大,输出的电压差值也就越大。
力传感器除了可以测量重力外,应变式力传感器也用来测量其他各种力,如汽车和卷扬机的牵引力等。
通过前面的学习可以知道,光敏电阻、热敏电阻、电阻应变片等电阻式传感器的工作共性是通过测量电阻的变化来确定外界非电学量的变化。与之类似,电容器的电容 $C$ 决定于极板的正对面积 $S$、极板间的距离 $d$ 以及极板间的电介质这三个因素。如果某个物理量的变化能引起上述某个因素的变化,从而引起电容的变化,那么,通过测定电容器的电容就可以确定这个物理量的变化,由此可以制成电容式传感器。电容式传感器有非常广泛的应用。
霍尔元件
除了之前我们接触的干簧管以外,霍尔元件也是一种重要的磁敏元件,它根据霍尔效应原理制成。
1879 年,美国物理学家霍尔观察到,在匀强磁场中放置一块矩形截面的载流导体,当磁场方向与电流方向垂直时,导体中能够自由移动的带电粒子在洛伦兹力的作用下,向着与电流、磁场都垂直的方向漂移,继而在该方向上出现了电势差。后来大家把这个现象称为霍尔效应,所产生的电势差称为霍尔电势差或霍尔电压。

{width="85%"}
除导体外,半导体也能产生霍尔效应,而且半导体的霍尔效应要强于导体。在一个很小的矩形半导体(如砷化铟)薄片上制作四个电极,它就成了一个霍尔元件。在电极 E、F 间通入恒定的电流,同时外加与薄片垂直的磁场,则在电极 M、N 间可出现霍尔电压。
通过分析可知,霍尔电压与磁感应强度有线性关系,因此利用霍尔元件可以测量磁感应强度的大小和方向。霍尔元件能够把磁感应强度这个磁学量转换为电压这个电学量。霍尔元件除了可以检测磁场及其变化,还可以在各种与磁场有关的场合中使用。利用霍尔元件进行微小位移,在两块磁感应强度相同、同极相对放置的磁体缝隙中放入霍尔元件,当霍尔元件处于中间位置时,磁感应强度为零,霍尔电压为零,可将该点作为位移的零点。当霍尔元件沿着 $z$ 轴方向移动时,则有霍尔电压输出,且电压大小与位移大小成正比,从而能够实现微小位移的测量。
电磁继电器
{width="70%"}
{width="90%"}